9659彩集团南北仪器专业提供实验室仪器设备一站式解决方案
说明:
ALX-J螺旋式测试架适配国产和进口 NK 、NLB 、ALB 等系列指针式推拉力计和 HF 系列数显式推拉力计作拉压负荷、插拔力测试等工作。
特点:
立式、卧式两用,还可安装在台面(桌面)上使用,使操作更稳固
手动操作,简单方便
参数:
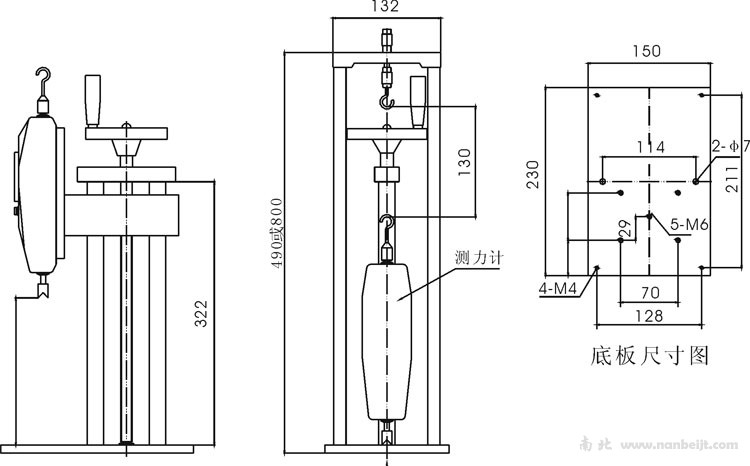
有 效 行 程: 大可达 190 mm
长 × 宽× 高: 230 × 150 × 490或800 mm
测试区有效面积: 105 × 100 mm ,大可达 105 × 152 mm
重 量: 8.8 kg
结构图:


微信公众号

京东旗舰店

天猫店铺
国内销售
电话:400 098 6966
国际贸易
电话: +86-371-60310701
售后服务
9659彩集团电话:+86-371-60153599
9659彩集团郑州地址一:郑州市、金水区、北环路73号、瀚海北金A座14层
郑州地址二:郑州市、金水区、北环路72号
北京地址:北京市丰台区贾家花园15号院7号院一层西侧
9659彩集团 海外进出口贸易(离岸中心):ROOM 803, CHEVALIER HOUSE, 45-51 CHATHAM ROAD SOUTH, TSIM SHA TSUI, KOWLOON, H K NANBEI INTERNATIONAL GROUP LIMITED
9659彩集团上海地址:上海市、普陀区、长寿路76号
9659彩集团工厂地址:沁阳市未来路、省科学院沁阳科创园区