9659彩集团

双针邵氏A型硬度计

双针邵氏A型硬度计

产品型号:

负责人:张先生

QQ:380888081

手机:13837159053

产品详情

  双针邵氏A型硬度计

功 能:
LX邵氏A型硬度计广泛应用于中低硬度塑料、各类橡胶、多元脂、皮革、蜡等的硬度测试。

产品参照:
ISO868 和 ISO7619标准生产,符合 GB/T531 、JB6148 和 JJG304 标准。

特 点:
1.指针式指示,读数方便、准确、精度高;
2.手持式设计,携带方便,可手持测量,也可安装在配套的测试架上测试。

规格参数:
刻 度 盘 值: 0 ~ 100HA;
压 针 行 程: 2.5 mm;
推荐测量范围: 10 ~ 90HA;
压针头部尺寸:Ф 0.79 mm;
重        量:~ 0.5 kg。

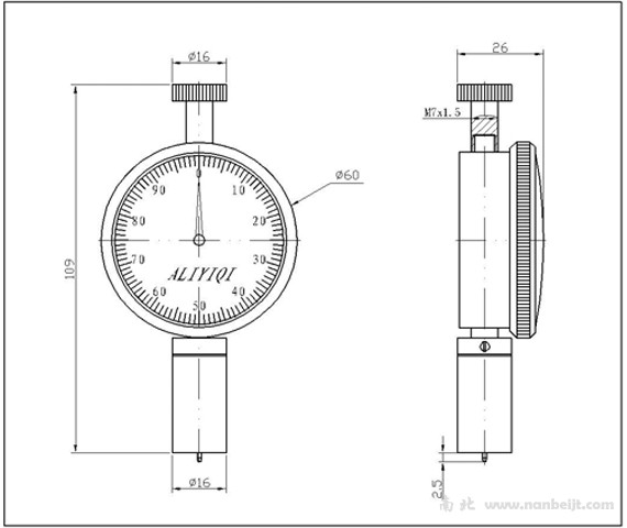
结构图: 

使用方法:
把试样放置在坚固的平面上,拿住硬度计,压足中孔的压针距离试块边缘至少12mm,平稳地把压足压在试样上,不能有任何振动,并保持压足平行于试样表面,以使压针垂直地压入试样,所施加的力要刚好足以使压足和试样完全接触,除另有规定,必须在压足和试样完全按触后1秒内读数,如果是其他间隔时间读数则必须说明,在试样相距至少6mm的不同位置测量硬度值5次,取其平均值。
使用须知:
⑴、测定前应检查硬度计的指针在自由状态下应指向零位。如指针量偏离零位时,可以松动右上角压紧螺钉,转动表面,对准零位。然后将硬度计压在玻璃板上,压针端面与压足底面紧密接触于玻璃板上时,指针应指向100+/-1HA,如不指向100+/-1HA时,可轻微按动压针几次,如仍不指100+/-1HA时,则此硬度计不能使用。如在邵氏硬度计测试机架上使用时,可拨动手柄,使工作台上升至定荷砝码抬起,使压针端面与压足平面紧密接触于玻璃工作台时,指针应指向100+/-1HA。如不指100+/-1HA时, 可调整工作台平面的调节螺钉,若调整后指针仍不指100+/-1HA时,优异送生产单位调整为宜。 
⑵、橡胶的试样及试验温度要求; ①、橡胶的试样厚度不小于6mm,宽度不小于15mm,长度不小于35mm,试样厚度不足6mm时,可用同样胶片重叠测定,但不超过3层。并要求胶片上下平行。 ②、检定时室温为23℃±5℃,检定前硬度计在此温度下至少存放1小时。 
⑶、塑料试样及试验温度要求; ①、塑料试样为正方形,边长50mm、厚度6mm。也允许采用50×15mm的试样。 ②、在可能的情况下,试样在测试前应按照GB/T2941-1991规定在实验室标准温度下进行调节。比对试验或系列试验必须在相同温度下进行。
⑷、橡胶及塑料试样表面均应光滑、平整、不应有机械损伤及杂质等缺陷。
⑸、硬度计使用35000次后,建议每使用10000次左右按GB531规定检查弹簧压力与指针刻度关系及压针端部的形状尺寸。
⑹、硬度计使用完毕后,装入仪器盒或仪器箱内,放置干燥处,防止受潮。
⑺、定荷测定架上的升降小轴和工作台底部,请注意经常揩擦干净,涂少量防锈油,以防生锈。
⑻、使用邵氏硬度计时,当A型硬度计示值低于10HA时是不准确的,测量结果不能使用。A型硬度计测量值超出90HA时推荐使用D型硬度计。
 

您可以通过在线留言联系我们: